產品介紹
PRODUCTS
| VB系列振動電機 |
|
|
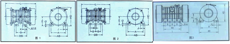
●概述: VB系列振動電機是動力源和電力源合為一體得通用型,是各類振動機械得配套激振源,如振動給料機、振動輸送機、振動放礦機、振動落沙機、振動篩分機、料倉得振動防閉塞裝置等。廣泛應用于電力、建材、煤炭、礦山、冶金、化工、輕工、鑄造等行業(yè)。 ●特點:1、激振力與出力配合適當,機體質量輕、體積小。 ●使用條件: 環(huán)境溫度: 不超過40℃ ●型號說明:
|
| 型號 | 最大 激振力 (N) |
轉速 (rpm) |
額定 功率 (KW) |
額定 電流 (A) |
安裝尺寸(mm) | 安裝 螺栓 尺寸 |
質量 (kg) |
外形 圖 | ||||||||||
| A | B | K | J | AB | BB | L | G | H | HD | d | ||||||||
| VB-326-W | 3000 | 950 | 0.20 | 0.82 | 160 | 100 | - | 40 | 190 | 150 | 330 | 12 | 92 | 210 | 14 | M12 | 29 | 圖1 |
| VB-546-W | 5000 | 955 | 0.38 | 1.21 | 200 | 110 | - | 60 | 250 | 160 | 335 | 16 | 123 | 251 | 22 | M20 | 43 | 圖1 |
| VB-1076-W | 10000 | 960 | 0.70 | 2.14 | 220 | 160 | 75 | 60 | 270 | 220 | 475 | 22 | 140 | 282 | 26 | M24 | 72 | 圖1 |
| VB-15116-W | 15000 | 960 | 1.10 | 3.12 | 220 | 160 | - | 60 | 270 | 220 | 550 | 22 | 140 | 290 | 26 | M24 | 95 | 圖1 |
| VB-20156-W | 20000 | 965 | 1.52 | 3.99 | 260 | 180 | 80 | 70 | 320 | 240 | 565 | 25 | 160 | 320 | 26 | M24 | 127 | 圖1 |
| VB-32246-W | 31500 | 965 | 2.40 | 5.99 | 350 | 220 | - | 100 | 430 | 370 | 650 | 33 | 192 | 390 | 39 | M36 | 202 | 圖1 |
| VB-40306-W | 40000 | 975 | 3.0 | 7.41 | 350 | 220 | - | 100 | 430 | 370 | 720 | 33 | 192 | 390 | 39 | M36 | 208 | 圖1 |
| VB-50326-W | 50000 | 970 | 3.20 | 7.83 | 350 | 250 | - | 100 | 430 | 400 | 730 | 33 | 192 | 390 | 39 | M36 | 235 | 圖1 |
| VB-60376-W | 60000 | 975 | 3.70 | 9.02 | 350 | 220 | - | 100 | 430 | 370 | 730 | 33 | 192 | 390 | 39 | M36 | 235 | 圖1 |
| VB-75556-W | 75000 | 970 | 5.50 | 12.60 | 380 | 125 | - | 105 | 480 | 385 | 755 | 35 | 240 | 467 | 39 | M36 | 390 | 圖2 |
| VB-100756-W | 100000 | 980 | 7.50 | 17.12 | 440 | 140 | - | 125 | 530 | 450 | 865 | 36 | 240 | 470 | 45 | M42 | 520 | 圖2 |
| VB-135906-W | 135000 | 980 | 9.0 | 19.2 | 480 | 140 | - | 125 | 570 | 510 | 985 | 38 | 265 | 520 | 45 | M42 | 630 | 圖3 |
| VB-1601106-W | 160000 | 980 | 11.0 | 23.5 | 480 | 140 | - | 125 | 570 | 510 | 998 | 38 | 265 | 520 | 45 | M42 | 700 | 圖3 |
| VB-1801306-W | 180000 | 980 | 13.0 | 27.8 | 520 | 140 | - | 125 | 610 | 510 | 970 | 38 | 290 | 570 | 45 | M42 | 845 | 圖3 |
| 型號 | 最大 激振力 (N) |
轉速 (rpm) |
額定 功率 (KW) |
額定 電流 (A) |
安裝尺寸(mm) | 安裝 螺栓 尺寸 |
質量 (kg) |
外形 圖 | ||||||||||
| A | B | K | J | AB | BB | L | G | H | HD | d | ||||||||
| VB-314-W | 2500 | 1400 | 0.12 | 0.57 | 160 | 100 | - | 40 | 190 | 150 | 275 | 12 | 92 | 210 | 14 | M12 | 23 | 圖1 |
| VB-534-W | 5000 | 1400 | 0.25 | 1.02 | 180 | 110 | - | 50 | 220 | 140 | 290 | 15 | 112 | 243 | 14 | M12 | 31 | 圖1 |
| VB-634-W | 6000 | 1450 | 0.30 | 0.93 | 200 | 110 | - | 60 | 150 | 160 | 330 | 16 | 112 | 243 | 18 | M16 | 40 | 圖1 |
| VB-1054-W | 10000 | 1420 | 0.50 | 1.51 | 220 | 110 | - | 60 | 270 | 160 | 355 | 18 | 123 | 262 | 22 | M20 | 48 | 圖1 |
| VB-1264-W | 12000 | 1440 | 0.60 | 1.82 | 220 | 145 | 65 | 60 | 270 | 195 | 415 | 18 | 123 | 258 | 22 | M20 | 59 | 圖1 |
| VB-1584-W | 15000 | 1430 | 0.75 | 1.94 | 220 | 145 | 65 | 60 | 270 | 195 | 435 | 18 | 123 | 258 | 22 | M20 | 60 | 圖1 |
| VB-16144-W | 16000 | 1440 | 1.40 | 3.41 | 290 | 280 | 60 | 78 | 340 | 340 | 500 | 52 | 145 | 295 | 27 | M24 | 90 | 圖1 |
| VB-20114-W | 20000 | 1430 | 1.10 | 2.75 | 220 | 160 | 75 | 60 | 270 | 220 | 495 | 22 | 140 | 282 | 26 | M24 | 80 | 圖1 |
| VB-21164-W | 21000 | 1440 | 1.60 | 3.82 | 290 | 280 | 60 | 78 | 340 | 340 | 500 | 52 | 145 | 295 | 27 | M24 | 100 | 圖1 |
| VB-32154-W | 31500 | 1450 | 1.50 | 3.76 | 260 | 180 | 80 | 70 | 320 | 240 | 545 | 25 | 160 | 320 | 26 | M24 | 112 | 圖1 |
| VB-50234-W | 50000 | 1450 | 2.25 | 5.55 | 350 | 220 | - | 100 | 430 | 370 | 650 | 33 | 192 | 390 | 39 | M36 | 195 | 圖1 |
| VB-75304-W | 75000 | 1460 | 3.0 | 7.36 | 380 | 125 | - | 105 | 460 | 330 | 615 | 35 | 210 | 412 | 39 | M36 | 250 | 圖2 |
| VB-100754-W | 100000 | 1460 | 7.50 | 15.92 | 440 | 140 | - | 125 | 530 | 450 | 795 | 36 | 240 | 470 | 45 | M42 | 440 | 圖2 |
| VB-84000-W | 84000 | 1455 | 5.5 | 11.5 | 380 | 125 | - | 140 | 460 | 390 | 720 | 35 | 210 | 415 | 39 | M36 | 320 | 圖2 |




| 型號 | 振次 | 最大激振力 r/min |
額定功率 KW |
額定電流 A |
圖號 | 安裝尺寸 | 外形尺寸 | 緊固 螺栓 |
重量 | |||||||||
| C | D | L | H | A | Ф | E | W | h | M | Фd | ||||||||
| LGD0.7-2 | 2900 | 0.7 | 0.15 | 0.4 | A | 100 | 140 | 240 | 80 | 190 | 140 | 147 | 180 | 20 | 45 | 13 | M12 | 14 |
| LGD1.5-2 | 1.5 | 0.15 | 0.4 | 15 | ||||||||||||||
| LGD2.5-2 | 2.5 | 0.25 | 0.4 | 16 | ||||||||||||||
| LGD5-2 | 5 | 0.4 | 1.0 | 120 | 150 | 330 | 105 | 211 | 170 | 160 | 200 | 21 | 58 | 16 | M16 | 23 | ||
| LGD8-2 | 8 | 0.75 | 1.6 | B | 140 | 170 | 430 | 110 | 240 | 213 | 220 | 220 | 22 | 48 | 22 | M20 | 42 | |
| LGD16-2 | 16 | 1.50 | 3.4 | 140 | 200 | 440 | 140 | 280 | 260 | 220 | 260 | 22 | 65 | 22 | M20 | 58 | ||
| LGD20-2 | 20 | 1.80 | 4.0 | 60 | ||||||||||||||
| LGD30-2 | 30 | 2.00 | 4.0 | C | 83 | 230 | 520 | 160 | 320 | 303 | 280 | 280 | 25 | 75 | 95 | |||
| LGD45-2 | 45 | 3.00 | 6.8 | 120 | 340 | 620 | 205 | 410 | 389 | 350 | 410 | 25 | 85 | 26 | M24 | 200 | ||
| 型號 | 振次 | 最大激振力 r/min |
額定功率 KW |
額定電流 A |
圖號 | 安裝尺寸 | 外形尺寸 | 緊固 螺栓 |
重量 | |||||||||
| C | D | L | H | A | Ф | E | W | h | M | Фd | ||||||||
| LGD1.2-4 | 1460 | 1.2 | 0.07 | 0.25 | A | 100 | 140 | 290 | 80 | 190 | 140 | 147 | 180 | 16 | 45 | 13 | M12 | 14 |
| LGD2.5-4 | 2.5 | 0.10 | 0.3 | 18 | ||||||||||||||
| LGD5-4 | 5 | 0.20 | 0.5 | 120 | 150 | 330 | 105 | 211 | 170 | 160 | 200 | 21 | 58 | 18 | M16 | 27 | ||
| LGD8-4 | 8 | 0.40 | 1.1 | B | 140 | 170 | 430 | 110 | 240 | 213 | 220 | 220 | 22 | 48 | 22 | M20 | 44 | |
| LGD10-4 | 10 | 0.50 | 1.1 | 46 | ||||||||||||||
| LGD16-4 | 16 | 0.75 | 1.8 | 140 | 200 | 405 | 140 | 280 | 260 | 220 | 260 | 22 | 65 | 65 | ||||
| LGD20-4 | 20 | 1.10 | 2.6 | 67 | ||||||||||||||
| LGD25-4 | 25 | 1.50 | 3.0 | C | 83 | 230 | 520 | 160 | 320 | 303 | 280 | 280 | 25 | 75 | 111 | |||
| LGD32-4 | 32 | 2.00 | 4.5 | 116 | ||||||||||||||
| LGD40-4 | 40 | 2.20 | 5.0 | 105 | 248 | 570 | 160 | 330 | 303 | 290 | 318 | 25 | 85 | 22 | M20 | 135 | ||
| LGD50-4 | 50 | 2.50 | 6.4 | 120 | 340 | 620 | 205 | 410 | 389 | 350 | 410 | 25 | 85 | 26 | M24 | 240 | ||
| LGD75-4 | 75 | 4.00 | 10.0 | 120 | 318 | 650 | 200 | 410 | 389 | 370 | 400 | 32 | 102 | 32 | M30 | 270 | ||
| LGD100-4 | 100 | 6.00 | 14.0 | 138 | 380 | 750 | 220 | 430 | 403 | 395 | 510 | 32 | 110 | 390 | ||||
| LGD120-4 | 120 | 8.00 | 18.5 | 140 | 442 | 720 | 235 | 470 | 445 | 404 | 540 | 37 | 100 | 38 | M36 | 510 | ||
| LGD140-4 | 140 | 10.00 | 23.0 | D | 120 | 462 | 940 | 260 | 540 | 445 | 510 | 550 | 38 | 120 | 580 | |||
| LGD160-4 | 160 | 10.00 | 24.3 | 620 | ||||||||||||||
| 型號 | 振次 | 最大激振力 r/min |
額定功率 KW |
額定電流 A |
圖號 | 安裝尺寸 | 外形尺寸 | 緊固 螺栓 |
重量 | |||||||||
| C | D | L | H | A | Ф | E | W | h | M | Фd | ||||||||
| LGD2.5-6 | 980 | 2.5 | 0.20 | 0.6 | A | 120 | 150 | 330 | 105 | 211 | 170 | 160 | 200 | 21 | 58 | 18 | M16 | 28 |
| LGD5-6B | 5 | 0.40 | 1.2 | B | 375 | 110 | 230 | 213 | 170 | 200 | 23 | 60 | 37 | |||||
| LGD5-6 | 5 | 0.40 | 1.2 | 140 | 170 | 430 | 110 | 240 | 213 | 220 | 220 | 22 | 48 | 22 | M20 | 45 | ||
| LGD8-6 | 8 | 0.55 | 1.5 | 460 | 51 | |||||||||||||
| LGD10-6 | 10 | 0.75 | 2.1 | 140 | 200 | 440 | 140 | 280 | 260 | 220 | 260 | 22 | 65 | 69 | ||||
| LGD16-6 | 16 | 1.10 | 2.9 | 500 | 83 | |||||||||||||
| LGD20-6 | 20 | 1.50 | 3.5 | C | 83 | 230 | 520 | 160 | 320 | 303 | 280 | 280 | 25 | 75 | 117 | |||
| LGD30-6 | 30 | 2.20 | 5.6 | 105 | 245 | 620 | 160 | 330 | 303 | 290 | 318 | 25 | 85 | 22 | M20 | 165 | ||
| LGD40-6 | 40 | 3.00 | 6.8 | 645 | 189 | |||||||||||||
| LGD50-6 | 50 | 3.70 | 8.1 | 120 | 340 | 620 | 205 | 410 | 389 | 350 | 410 | 25 | 85 | 26 | M24 | 230 | ||
| LGD75-6 | 75 | 5.50 | 11.9 | 120 | 318 | 700 | 200 | 410 | 380 | 370 | 400 | 32 | 102 | 32 | M30 | 290 | ||
| LGD100-6 | 100 | 7.50 | 17.5 | 138 | 380 | 800 | 220 | 430 | 403 | 395 | 510 | 32 | 110 | 450 | ||||
| LGD120-6 | 120 | 8.50 | 17.7 | 140 | 442 | 770 | 235 | 470 | 445 | 404 | 540 | 37 | 100 | 38 | M36 | 550 | ||
| LGD140-6 | 140 | 9.50 | 19.6 | D | 120 | 462 | 980 | 260 | 540 | 445 | 510 | 550 | 38 | 120 | 615 | |||
| LGD160-6 | 160 | 12.0 | 24.0 | 675 | ||||||||||||||
| LGD180-6 | 180 | 14.0 | 28.3 | 120 | 520 | 900 | 270 | 560 | 490 | 530 | 610 | 40 | 125 | 45 | M42 | 860 | ||
| LGD200-6 | 200 | 17.0 | 34.0 | 950 | 900 | |||||||||||||